Skip to main content Skip to search Skip to main navigation
Customised assembly
High-quality technology
Engineering know-how

Showtec TR-512 Pocket DMX player/recorder | 1 universe

  • Compact DMX recorder/playback device for 1 DMX universe 
  • Record and play back multiple shows, storage on included micro SD card 
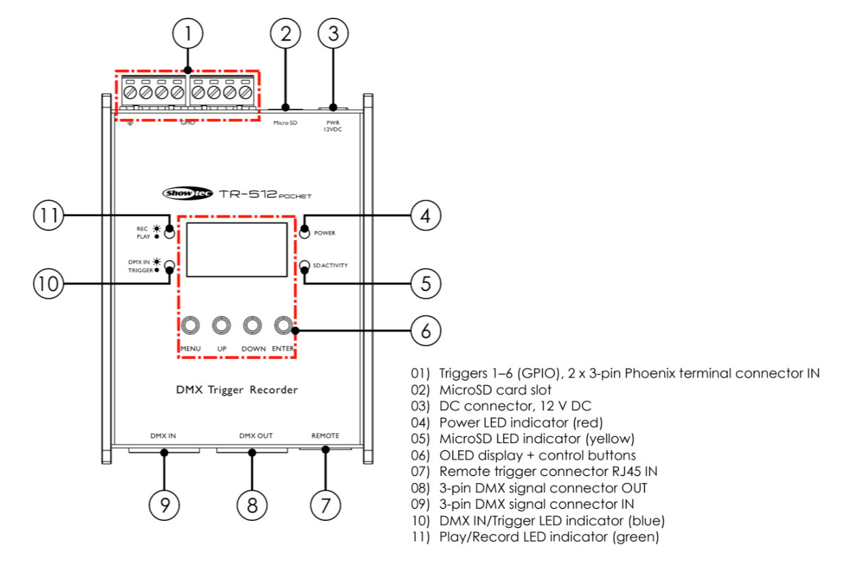
  • 6 external GPIO triggers for start/stop, auto-start on power-up if desired 
  • Bi-directional communication for wall control (optional on request)

The Showtec TR-512 Pocket is a compact DMX recorder/player that allows you to easily control your light shows. 

It can record and play back multiple shows. These are stored on the included micro SD card. The card offers enough storage space for shows with a total running time of up to 24 hours. Each show can be played in loop mode or as a single playback. You can set an automatic start when switching on or a delayed start. Using 6 GPIO pins, you can start or stop your shows with external triggers such as normal switches, relays, or motion detection sensors. 

Thanks to the latest software update, the new Idle Playback mode opens up new possibilities. It adds a Show mode and a Passthru mode to the standard Scene mode. Scene mode is perfect for a quiet period between active shows. If no file is selected, a standard blackout is used, where all channels are set to zero. In Show mode, a selected show is played in an endless loop. This is useful for creating continuous movements or background effects when no events are triggered. In Passthru mode, a DMX signal received from another source is passed through the DMX input and output of the TR-512 to a connected lighting system. 

Bidirectional communication with the special wall remote control for the TR-512 Install/Pocket can be set up via the RJ45 connection using a standard CAT5 cable. 

The TR-512 Pocket is the right product for your shows or scenes in theme parks, museums, shops, and other system integration projects.


Technical specifications

  • Power supply: 12 VDC (power supply included)
  • Power consumption: 6 W 
  • Power input connector: Low Voltage DC plug 
  • DMX connector: XLR 3P In/Out (optically isolated)
  • Data connection input: RJ45
  • Dimensions (LxWxH): 115 x 85 x 45 mm
  • Maximum ambient temperature: +40°C
  • IP protection: IP20 
Manufacturer

Highlite International BV

Vestastraat 2 

6468EX Kerkrade (NL) 

reception@highlite.com